地址: 启东市城北工业园区
台角二路10号
电话:
0513-83223788
0513-83220131
0513-85399789
传真: 0513-83223788
0513-85399789
手机: 13862985906
13186502379
邮编: 226200
网址: www.qdhhsh.com
www.qdhhsh.cn.alibaba.com
E-mail:hhsh@qdhhsh.com |
|
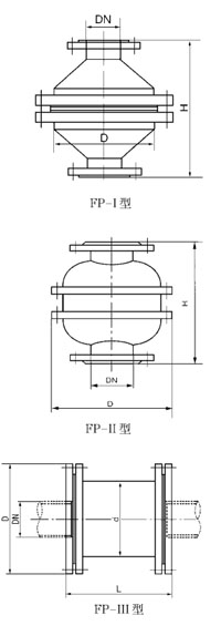
阻火器
|
| 性能特点 |
| |
本公司生产的FP型燃气阻火器是按国标GB50160-92《石油化工企业设计防火规范》的规定而推出的防爆安全设备。产品的技术性能、试验检验符合SY/T0512-1996《石油储罐阻火器》中的规定。燃气阻火器广泛应用于加热炉燃料气、天燃气、石油液化气、煤矿瓦斯排放的管阀,也适用于民用煤气管道,防止在非正常情况下火焰在管道中的逆向传播,从而保证整个系统装置及使用点的安全运行。
氧气管道阻火器和氧气管道阀门后阻火器采用特种铜合金和不锈钢、碳钢焊接而成。它在氧气管道中具有阻火特点,可有效地切断火源,杜绝管道中燃爆事故的发生,在管道输氧过程中,愈来愈显示它的必要性与阻燃的优越性。
注:①1、3材质为0Cr18Ni9Ti、1Cr18Ni9Ti或20;
②2材质为T1、T2、Tu1、Tu2、B10。
|
|
| 技术参数 |
| |
 |
|
|
| |
|
|
|