地址: 启东市城北工业园区
台角二路10号
电话:
0513-83223788
0513-83220131
0513-85399789
传真: 0513-83223788
0513-85399789
手机: 13862985906
13186502379
邮编: 226200
网址: www.qdhhsh.com
www.qdhhsh.cn.alibaba.com
E-mail:hhsh@qdhhsh.com |
|
| |
袋式精细过滤器
|
产品概述
袋式精细过滤器是由容器、滤袋、支撑网篮三部分构成一个简便、高效、通用的液体过滤系统。需要过滤的流体,由上口进入滤袋,液体中的固定物质会被阻留在袋内,从而得到清洁的流体,由于其使用简便,经济合理,因而广泛用于石油产品、化工产品、油漆、食品及饮料、污水等方面过滤。袋式精细过滤器具有高流通能力,高过滤精度,低成本,操作简便、快速等特点。适用于任何微细颗粒(0.3-60um)的过滤。
 |
 |
|
金属过滤器 |
非金属过滤器 |
|
型号标注
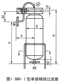
1.
单线式精细过滤器SBD-I型
型 号 |
流量 |
过滤面积 |
安装尺寸 |
进出口
N1 N2 |
(m3/h) |
(m2) |
h |
H |
A |
D |
SBD-IA |
12 |
0.16 |
420 |
480 |
100 |
Ф114 |
DN32 PN1.6 |
SBD-IB |
36 |
0.5 |
800 |
880 |
310 |
Ф219 |
DN50 PN1.6 |
注:● 表中所列流量以水为介质
●
设备工作压力≤1.0MPa
●
进出口接管规格:DN50、PN1.6。 |
 |
2.
多袋式精细过滤器SBD-II型
四袋式精细过滤器SBD-4II
主要技术参数
工作压力(MPa)
|
≤1.0 |
工作温度(℃)
|
≤200 |
处理量(m3/h)
|
140(以水为介质) |
进出口接管规格 |
DN100
PN1.6 |
五至八只袋精细过滤器SBD-5~8II型
型号 |
流量 |
安装尺寸 |
(m3/h) |
H |
h1 |
h2 |
h3 |
h4 |
L1 |
L2 |
D |
SBD-5II |
180 |
1800 |
780 |
580 |
200 |
300 |
340 |
520 |
F650 |
SBD-6II |
216 |
SBD-7II |
252 |
2050 |
780 |
790 |
290 |
300 |
260 |
500 |
F800 |
SBD-8II |
288 |
注:● 表中所列流量以水为介质,工作压力≤1.0MPa
●
进出口N1、N2接管规格,JHGB-5、6II为DN100、PN1.6,
SBD-7、8II为DN150、PN1.6 |
|
3.
并联式精细过滤器SBD-III型
型 号 |
流量 |
安装尺寸 |
(m3/h) |
H |
h1 |
h2 |
h3 |
SBD-IIIA |
36 |
1040-1190 |
500 |
210-360 |
695 |
SBD-IIIB |
72 |
1175-1540 |
850 |
0-360 |
注:● 表中所列流量以水为介质,工作压力≤1.0MPa
●
进出口接管规格:DN65、PN1.6 |
 |
袋精细过滤器应用领域
石油化工
1、航空煤油及润滑油的过滤
2、石油及燃油添加剂的过滤
3、油品回收
4、石油及天然气脱水溶剂的过滤
5、PVC生产中的液体及气体过滤 |
水 处
理
1、海水去除颗粒
2、离子交通树脂回收
3、冷却装置中系统净化
4、管道结垢的清
5、PVC生产中的液体及气体过滤
6、用于水处理的化学品过滤
7、城市供水的滤清
8、钙结晶的去除
9、油田注水和完井液的过滤 |
精细化工
1、催化剂回收
2、去除表面活性剂结晶盐份
3、X-射线悬物的滤清
4、洗涤剂的滤清
5、化妆品原料及成品的过滤 |
化 学
品
1、催化剂回收
2、酸、碱和溶剂的滤清
3、碳墨及助滤剂的去除
4、管道结垢的去除
5、乳液和悬浮液的过滤 |
涂料和油漆
1、去除悬浮凝结块
2、去除油漆凝结块
3、去除油漆中的结块
4、溶剂的过滤
5、贮罐污物的去除
6、球磨机填塞物的去除 |
食品及饮料
1、啤酒中PolYCLar的过滤
2、葡萄洒、威士忌和啤洒的抛光过滤
3、烹饪油中杂质颗粒的去除
4、去除纤维素中的碳黑
5、玉米糖浆的抛光过滤
6、动植物提取液的滤清
7、食用醋和酱油的抛光过滤
8、听罐涂层的涂料过滤
9、洗瓶用碱洗液的过滤 |
粘 结
剂
1、从丙烯酸粒剂中去除凝胶
2、树脂及结晶物的去除
3、去除胶性涂料中的凝结块
4、热溶聚合物的过滤
5、去除悬乳液中的PVA凝结块 |
|
|
|
|